sx460 avr wiring diagram

Rad Ventures: XS650 Wiring. 13 Pictures about Rad Ventures: XS650 Wiring : Avr As440 Wiring Diagram, Pin on New Generators And Engines and also Rad Ventures: XS650 Wiring.

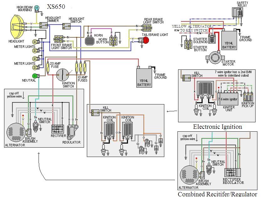
Rad Ventures: XS650 Wiring

Rad Ventures: XS650 Wiring rad-ventures.blogspot.com

maxim

Simplified Wiring Harness Question About Regulator | Yamaha XS400 Forum

Simplified wiring harness question about regulator | Yamaha XS400 Forum www.xs400.com

wiring xs650 simplified diagram yamaha xs400 main harness regulator question

Jual AVR Genset SX460 Stamford

Jual AVR Genset SX460 Stamford www.glodokharco.online

sx460 avr stamford

Xs650 Daily Driver + Wiring Help!!!

Xs650 daily driver + wiring help!!! www.chopcult.com

wiring start would

Stamford Sx440 Avr Wiring Diagram

Stamford Sx440 Avr Wiring Diagram diagramweb.net

avr sx440 stamford sx460 voltage droop

Avr As440 Wiring Diagram

Avr As440 Wiring Diagram diagramweb.net

as440 stamford sx460 generators

Programmer Electronic Automatic Voltage Regulator Avr Sx460 Newage

Programmer Electronic Automatic Voltage Regulator Avr Sx460 Newage www.alibaba.com

avr programmer regulator

Pin On New Generators And Engines

Pin on New Generators And Engines www.pinterest.com

generator sx460 stamford avr sx440 schematic thyristor excitation

Stamford Sx440 Avr Wiring Diagram

Stamford Sx440 Avr Wiring Diagram diagramweb.net

wiring sx440 newage sx

Fitting A Sx460 Voltage Regulator Wiring Diagram

Fitting A Sx460 Voltage Regulator Wiring Diagram schematron.org

sx460 wiring diagram voltage regulator fitting performed installations qualified codes

Stamford Sx460 Wiring Diagram - Wiring Diagram

Stamford Sx460 Wiring Diagram - Wiring Diagram wiringdiagram.2bitboer.com

stamford sx460 avr as440

Sx460 Avr Wiring Diagram Pdf - Style Guru: Fashion, Glitz, Glamour

Sx460 Avr Wiring Diagram Pdf - Style Guru: Fashion, Glitz, Glamour www.stylesgurus.com

sx460 avr stamford

XS650 Simplified And Complete Wiring Diagram | Electrical & Electronics

XS650 simplified and complete wiring diagram | Electrical & Electronics www.pinterest.com

xs650 wiring diagram electrical

Fitting a sx460 voltage regulator wiring diagram. Pin on new generators and engines. Stamford sx460 avr as440