volkswagen polo engine diagram

[DIAGRAM] Guide To Vw Polo Engine Bay Diagram FULL Version HD Quality. 16 Images about [DIAGRAM] Guide To Vw Polo Engine Bay Diagram FULL Version HD Quality : Volkswagen Workshop Manuals > Polo Mk4 > Engine > 4 - Cyl. injection, 4 Cyl Engine Diagram - Fuse & Wiring Diagram and also 4 Cyl Engine Diagram - Fuse & Wiring Diagram.

[DIAGRAM] Guide To Vw Polo Engine Bay Diagram FULL Version HD Quality

[DIAGRAM] Guide To Vw Polo Engine Bay Diagram FULL Version HD Quality dcpotguide.mansionmultimedia.it

[DIAGRAM] Vw Polo 2012 User Wiring Diagram FULL Version HD Quality

[DIAGRAM] Vw Polo 2012 User Wiring Diagram FULL Version HD Quality schematic.grundschulelaufeld.de

6n 6n2

Volkswagen CC Is Bargain Fashion

Volkswagen CC Is Bargain Fashion www.wfyi.org

engine volkswagen cc vw ea888 line sport tsi 0t fuel bargain explained generation specs cylinder wfyi drivetrain inventory

Buy Vw Polo 1.2 Tdi Engine Problems Cheap Online

Buy vw polo 1.2 tdi engine problems cheap online www.rslantext.com

bluemotion

Engine Polo Volkswagen 2014

Engine Polo Volkswagen 2014 parts.asm-autos.co.uk

volkswagen

Polo Classic Engine Diagram | OFF60% | Develop.jebeet.com

polo classic engine diagram | OFF60% | develop.jebeet.com develop.jebeet.com

Volkswagen Workshop Manuals > Polo Mk3 > Vehicle Electrics > Electrical

Volkswagen Workshop Manuals > Polo Mk3 > Vehicle electrics > Electrical workshop-manuals.com

mk3 polo manuals volkswagen workshop hexagon bolts assisted conditioning compressor steering vehicles power air

4 Cyl Engine Diagram - Fuse & Wiring Diagram

4 Cyl Engine Diagram - Fuse & Wiring Diagram fusewiring.blogspot.com

mk4 cyl manuals

Volkswagen Workshop Manuals > Polo Mk3 > Power Unit > 4-cyl. Diesel

Volkswagen Workshop Manuals > Polo Mk3 > Power unit > 4-cyl. diesel workshop-manuals.com

mk3

MK4 TDI Vacuum Pipe - The Volkswagen Club Of South Africa

MK4 TDI Vacuum pipe - The Volkswagen Club of South Africa vwclub.co.za

tdi vacuum mk4 pipe africa south volkswagen club

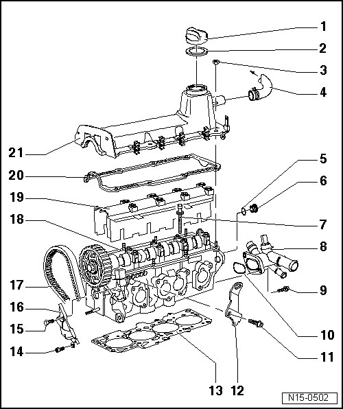
Volkswagen Workshop Manuals > Polo Mk4 > Engine > 4 - Cyl. Injection

Volkswagen Workshop Manuals > Polo Mk4 > Engine > 4 - Cyl. injection workshop-manuals.com

polo golf mk4 engine head valve gear workshop cylinder manuals volkswagen reservoir lid torque gasket sealing cap

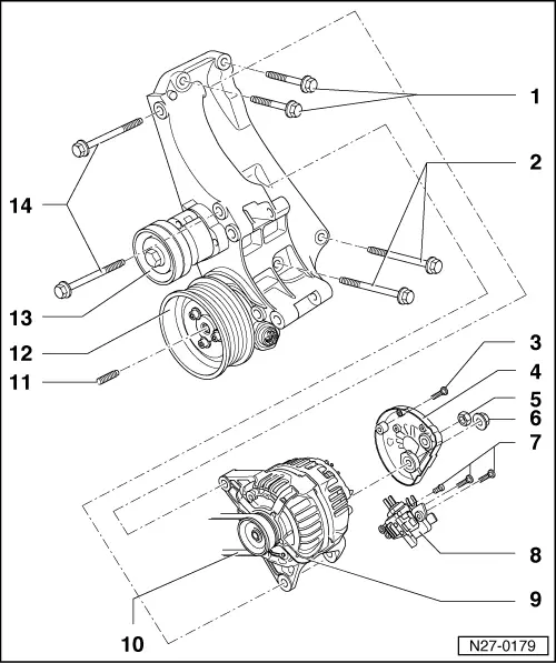
Volkswagen Workshop Manuals > Polo Mk5 > Power Unit > 4-cylinder

Volkswagen Workshop Manuals > Polo Mk5 > Power unit > 4-cylinder workshop-manuals.com

polo mk5 volkswagen engine pump manuals workshop coolant side cooling diagram system parts

Vw Polo 2006 Fuse Box Diagram - Vw Polo Mk4 9n Fuses Youtube / Polo

Vw Polo 2006 Fuse Box Diagram - Vw Polo Mk4 9n Fuses Youtube / Polo wiring01.blogspot.com

9n fuses mk4

[BR_8373] Vw Polo 6N2 Wiring Diagram Wiring Diagram

[BR_8373] Vw Polo 6N2 Wiring Diagram Wiring Diagram over.gritea.nizat.lline.rele.mohammedshrine.org

6n2 6n ignition gti 9n

Volkswagen Workshop Manuals > Polo Mk4 > Engine > 4 - Cyl. Injection

Volkswagen Workshop Manuals > Polo Mk4 > Engine > 4 - Cyl. injection workshop-manuals.com

polo mk4 workshop engine manuals location volkswagen repair system component brake switch f47 pedal light injection

VW Wolkswagen Spare And Used Parts, Volkswagon Sydney

VW Wolkswagen Spare and Used Parts, Volkswagon Sydney www.sgspartsplus.com.au

vw diagram jetta parts volkswagen steering components 2009 suspension spare mechanical volkswagon air exhaust

6n 6n2. Volkswagen workshop manuals > polo mk3 > power unit > 4-cyl. diesel. Buy vw polo 1.2 tdi engine problems cheap online