vw 18 turbo engine diagram

Pinterest. 17 Pictures about Pinterest : Pinterest, Volkswagen Workshop Manuals > Golf Mk6 > Power unit > 4-cyl. direct and also Steelcurtain’s Build Thread - VW GTI MKVI Forum / VW Golf R Forum / VW.

Pinterest

Pinterest www.pinterest.com

Gauge Cluster Speedometer 92-93 VW Eurovan T4 - Cable Driven - Genuine

Gauge Cluster Speedometer 92-93 VW Eurovan T4 - Cable Driven - Genuine carparts4sale.com

vw t4 speedometer eurovan cluster genuine gauge driven cable usd sep sku mon

We Have A 2003 VW Beetle 1.8T. Yesterday The Engine Ran Fine, But Would

We have a 2003 VW Beetle 1.8T. Yesterday the engine ran fine, but would www.justanswer.com

vw 2003 beetle volkswagen crank engine 8t turbo morning

Shuttle Rear Air Con Photos Needed Under Bonnet - VW T4 Forum - VW T5 Forum

Shuttle rear air con photos needed under bonnet - VW T4 Forum - VW T5 Forum www.vwt4forum.co.uk

vw vwt4forum

1961-2003 How To Rebuild VW Air-Cooled Engines Type 1, 2, And 3 Volkswagen

1961-2003 How to Rebuild VW Air-Cooled Engines Type 1, 2, and 3 Volkswagen www.faxonautoliterature.com

1961 cooled engines

VW Engine Rebuild - YouTube

VW Engine Rebuild - YouTube www.youtube.com

Used Volkswagen Engines For Sale - Used Engine Finder

Used Volkswagen Engines For Sale - Used Engine Finder www.usedenginefinder.com

volkswagen engine engines 0l diesel jetta turbo oem assembly

Interior Roof Head Liner Headliner 01-05 VW Jetta MK4 - Local Pickup

Interior Roof Head Liner Headliner 01-05 VW Jetta MK4 - Local Pickup carparts4sale.com

jetta headliner vw liner roof interior mk4 iowa pickup local head carparts4sale

EnginesOD - 1.9 Vw Engines - Enginesod.com

EnginesOD - 1.9 vw engines - enginesod.com www.enginesod.com

tdi engine vw engines skoda bare bhp audi fits seat enginesod enlarge volkswagen

Steelcurtain’s Build Thread - VW GTI MKVI Forum / VW Golf R Forum / VW

Steelcurtain’s Build Thread - VW GTI MKVI Forum / VW Golf R Forum / VW www.golfmk6.com

vw meth broke buildup 10k ufb carbon finally miles write track into

Steelcurtain’s Build Thread - VW GTI MKVI Forum / VW Golf R Forum / VW

Steelcurtain’s Build Thread - VW GTI MKVI Forum / VW Golf R Forum / VW www.golfmk6.com

vw golf engine gti build cyls 10k buildup carbon miles

P80 (-1998 , 1999-2000) Serpentine Belt Path Route Diagram Picture

P80 (-1998 , 1999-2000) Serpentine belt path route diagram picture www.matthewsvolvosite.com

belt v70 serpentine 850 auxiliary drive air s70 without conditioning c70 volvo ac route diagram ipdusa 1998 models serp routing

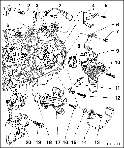
Volkswagen Workshop Manuals > Golf Mk6 > Power Unit > 4-cyl. Direct

Volkswagen Workshop Manuals > Golf Mk6 > Power unit > 4-cyl. direct workshop-manuals.com

mk6 manuals g61

215 Best VW Engines Images On Pinterest

215 best VW Engines images on Pinterest www.pinterest.com

vw turbo engine cooled air bug engines volkswagen porsche twin vocho beetle aircooled fusca diesel performance para motor split baja

Volkswagen Workshop Manuals > Golf Mk5 > Power Unit > 4-cylinder Diesel

Volkswagen Workshop Manuals > Golf Mk5 > Power unit > 4-cylinder diesel workshop-manuals.com

golf mk5 bls engine tdi turbocharger workshop assembly system charge cylinder manuals volkswagen diesel bxj codes hose nm oil

Bumper Mount Bracket Guide 92-96 VW Eurovan T4 - Genuine - 701 807 193

Bumper Mount Bracket Guide 92-96 VW Eurovan T4 - Genuine - 701 807 193 carparts4sale.com

Volkswagen Jetta Turbocharger Coolant Line. 1.8 LITER. 2014-18. VIN

Volkswagen Jetta Turbocharger Coolant Line. 1.8 LITER. 2014-18. VIN parts.winnvw.com

turbocharger jetta coolant inlet

We have a 2003 vw beetle 1.8t. yesterday the engine ran fine, but would. Interior roof head liner headliner 01-05 vw jetta mk4. Golf mk5 bls engine tdi turbocharger workshop assembly system charge cylinder manuals volkswagen diesel bxj codes hose nm oil