suzuki swift stereo wiring diagram

Suzuki Forums: Suzuki Forum Site - Help!! 2007 swift stereo wire colours. 16 Pictures about Suzuki Forums: Suzuki Forum Site - Help!! 2007 swift stereo wire colours : Suzuki Forums: Suzuki Forum Site - Help!! 2007 swift stereo wire colours, Книга по ремонту сузуки свифт - russtickers.ru and also suzuki ts185 wiring diagram 1973 - Wiring Diagram.

Suzuki Forums: Suzuki Forum Site - Help!! 2007 Swift Stereo Wire Colours

Suzuki Forums: Suzuki Forum Site - Help!! 2007 swift stereo wire colours www.suzuki-forums.com

swift 2007 suzuki stereo wire convkey mediafire colours help 25d

SUZUKI WAGON-R WIRING DIAGRAM Service Manual Download, Schematics

SUZUKI WAGON-R WIRING DIAGRAM Service Manual download, schematics elektrotanya.com

maruti elektrotanya dt40 vitara schematics

Maruti Suzuki Swift 1 3 Wiring Diagram And Facybulka Me New | Suzuki

Maruti Suzuki Swift 1 3 Wiring Diagram And Facybulka Me New | Suzuki www.pinterest.com

suzuki wiring diagram samurai swift alternator alto motorhome database maruti facybulka ertiga

SUZUKI Car Radio Stereo Audio Wiring Diagram Autoradio Connector Wire

SUZUKI Car Radio Stereo Audio Wiring Diagram Autoradio connector wire tehnomagazin.com

suzuki wiring diagram vitara radio grand stereo audio autoradio connector 2000 baleno schematic 1998 2001 swift jimny pdf regard manual

53 Suzuki PDF Manuals Download For Free! - Сar PDF Manual, Wiring

53 Suzuki PDF Manuals Download for Free! - Сar PDF Manual, Wiring www.carpdfmanual.com

suzuki wiring diagram swift pdf wiper manual diagrams manuals windshield repair

Vauxhall Vivaro Stereo Wiring Diagram

Vauxhall Vivaro Stereo Wiring Diagram funnyhacklife.blogspot.com

clio vivaro trafic stereo wiper haynes sok

Suzuki Swift Wiring Diagram - Flilpfloppinthrough

Suzuki Swift Wiring Diagram - flilpfloppinthrough flilpfloppinthrough.blogspot.com

vitara wiring xl7 sx4 intruder c50 harnes motogurumag apv 57ce 1992

Suzuki Ts185 Wiring Diagram 1973 - Wiring Diagram

suzuki ts185 wiring diagram 1973 - Wiring Diagram wiringdiagram.2bitboer.com

kawasaki ts185 zl1000

Ford Xl2f Radio Wiring Diagram - Wiring Diagram

Ford Xl2f Radio Wiring Diagram - Wiring Diagram cars-trucks24.blogspot.com

wiring ford diagram f87f radio 1998 cd fixya stereo explorer need expedition

Suzuki Swift Alternator Wiring Diagram - Magazinemyblogs2037

Suzuki Swift Alternator Wiring Diagram - magazinemyblogs2037 magazinemyblogs2037.blogspot.com

wiring satsuma wiringg firewall

Suzuki Every Wiring Diagrams Pictures - Wiring Diagram Sample

Suzuki Every Wiring Diagrams Pictures - Wiring Diagram Sample faceitsalon.com

rv90

2005 Suzuki Forenza Radio Wiring Diagram - 05 Suzuki Forenza Wiring

2005 Suzuki Forenza Radio Wiring Diagram - 05 Suzuki Forenza Wiring zilongggggg.blogspot.com

xl7 vitara sx4 tehnomagazin maruti forenza motogurumag radiem sterowanie kierownicy elektroda fuse wire

Книга по ремонту сузуки свифт - Russtickers.ru

Книга по ремонту сузуки свифт - russtickers.ru russtickers.ru

45 Suzuki Swift Radio Wiring Diagram - Wiring Diagram Source Online

45 Suzuki Swift Radio Wiring Diagram - Wiring Diagram Source Online apiccolisogni.blogspot.com

Repair Manual Download: Suzuki Swift Wiring Diagram

Repair Manual Download: Suzuki Swift Wiring diagram repairfreemanual.blogspot.com

swift suzuki wiring diagram

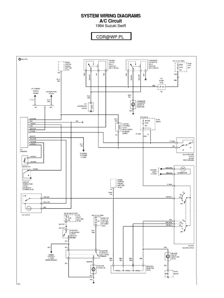
Suzuki Swift 1993.pdf (885 KB)

suzuki swift 1993.pdf (885 KB) www.suzukiclub.cz

Wiring ford diagram f87f radio 1998 cd fixya stereo explorer need expedition. Suzuki wagon-r wiring diagram service manual download, schematics. 45 suzuki swift radio wiring diagram