suzuki esteem engine diagram

Suzuki Esteem Engine Diagram : 1999 Suzuki Esteem Engine Diagram Wiring. 16 Pictures about Suzuki Esteem Engine Diagram : 1999 Suzuki Esteem Engine Diagram Wiring : Suzuki Esteem Engine Diagram : 1999 Suzuki Esteem Engine Diagram Wiring, Suzuki XL-7 SUV 2007 Engine Fuse Box/Block Circuit Breaker Diagram and also 1 PCS Front Motor Mount FIT Suzuki Esteem 1.8L Engine 1999-2002 | eBay.

Suzuki Esteem Engine Diagram : 1999 Suzuki Esteem Engine Diagram Wiring

Suzuki Esteem Engine Diagram : 1999 Suzuki Esteem Engine Diagram Wiring pirfoods.blogspot.com

diagram

Turbocharged Suzuki Motorcycle Revealed In Patent Filings

Turbocharged Suzuki Motorcycle Revealed in Patent Filings www.motorcycle.com

turbocharged suzuki motorcycle patent filings revealed

1999 Suzuki Esteem Wiring Diagrams

1999 Suzuki Esteem Wiring Diagrams cafeconmostaza.blogspot.com

wiring vitara esteem zx9r

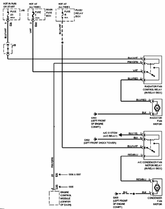
Wiring Schematic Diagram: 1996 Suzuki Esteem Cooling Fan Circuit And

Wiring Schematic Diagram: 1996 Suzuki Esteem Cooling Fan Circuit and wrojh.blogspot.com

fan cooling circuit wiring suzuki diagram esteem 1996 control module circuits schematic radiator gr relay repository system

2002 Suzuki Grand Vitara Engine Diagram - Suzuki Vitara Review

2002 Suzuki Grand Vitara Engine Diagram - Suzuki Vitara Review suzukivitarareview.blogspot.com

xl7 vitara esteem sensor o2

Suzuki XL-7 SUV 2007 Engine Fuse Box/Block Circuit Breaker Diagram

Suzuki XL-7 SUV 2007 Engine Fuse Box/Block Circuit Breaker Diagram www.carfusebox.com

suzuki diagram 2007 fuse engine box xl breaker suv circuit xl7 block 2004 carfusebox

Older Suzuki Motor

Older Suzuki motor www.indianaopenwheel.com

suzuki

2000 Suzuki Esteem Wiring Diagram / Suzuki Esteem Fuse Box Location

2000 Suzuki Esteem Wiring Diagram / Suzuki Esteem Fuse Box Location agnesmoreiraa.blogspot.com

esteem imageservice wiring

1 PCS Front Motor Mount FIT Suzuki Esteem 1.8L Engine 1999-2002 | EBay

1 PCS Front Motor Mount FIT Suzuki Esteem 1.8L Engine 1999-2002 | eBay www.ebay.com

2004 Toyota Sienna XLE Engine Room Compartment Fuse Box Diagram – Auto

2004 Toyota Sienna XLE Engine Room Compartment Fuse Box Diagram – Auto www.autofuseboxdiagram.com

xle 2002 motogurumag topics

1996 Suzuki Esteem Schematic Diagram Manual Guide | Release Date, Price

1996 Suzuki Esteem Schematic Diagram Manual Guide | Release Date, Price autonews-usermanual.blogspot.com

schematic 1996

Niengroem's Blog: Suzuki Samurai Engine Conversion

Niengroem's Blog: suzuki samurai engine conversion koestiningroem.blogspot.com

engine samurai suzuki diesel conversion turbo motor 9l jetta trucks wired bay honda expo owners let lwb

Suzuki 2 7 Engine Diagram - Complete Wiring Schemas

Suzuki 2 7 Engine Diagram - Complete Wiring Schemas wiring89.blogspot.com

esteem

Just A Few Questions About The Engine | Suzuki Forums

Just a few questions about the engine | Suzuki Forums www.suzuki-forums.com

2002 Suzuki Esteem Timing: Engine Mechanical Problem 2002 Suzuki

2002 Suzuki Esteem Timing: Engine Mechanical Problem 2002 Suzuki www.2carpros.com

timing suzuki marks esteem 2002 1996 sidekick chain engine valve repair manual

Turbocharged Suzuki Motorcycle Revealed In Patent Filings

Turbocharged Suzuki Motorcycle Revealed in Patent Filings www.motorcycle.com

turbocharged suzuki patent motorcycle filings revealed twin

Fan cooling circuit wiring suzuki diagram esteem 1996 control module circuits schematic radiator gr relay repository system. Suzuki xl-7 suv 2007 engine fuse box/block circuit breaker diagram. Turbocharged suzuki motorcycle revealed in patent filings